CN
CN
EN
FR
JP
DE
ES
search
关于我们
产品与服务
解决方案
资源中心
联系我们
公司简介
企业文化
发展沿革
资质荣誉
创新技术
品质管理
工程能力
新闻中心
高压连接器
充电连接
充电设备
配电单元
电池快换连接
信号连接器
线束总成
铜排母排
HVC系列
HVC 280
HVC 450
HOT
HVC 530
HVC 630
HVC 800
HVC 1200
NEW
HVC IPT
HVU 530
HPC 系列
HPC 1200
HPC 1800
HPC 2100
HPC 3000
HVM 系列
HVMC 530
HVMC 1800
HVM 铝棒、铝排
HVM PT
HVS 系列
HVS 600/800/1200
HVSB 250
MSD 系列
MSD
交流充电插头
直流充电插头
车辆充电插座
配件
挂枪座
电子锁
充电设备
模式二
壁挂式充电桩
配电单元
电池高压配电单元(BDU)
高压配电单元(PDU)
直流配电单元
商用车换电连接器
BSC系列
乘用车换电连接器
BSC系列
其他换电连接器
BSC系列
板端
线端
X系列
线束总成
充电线束
高压线束
低压线束
储能线束
铜排母排
软铜排
硬铜排
集成铜排
包胶铜排
铜排铝棒
电动汽车
动力电池
充换电设施
储能能源
精密制造
产品型录
产品数模
产品视频
安装使用说明
标准法规
认证证书
分析报告
联系我们
招骋信息
售后服务
经销代理
高压连接器
|
HVC系列
|
HVU 530
HVU 530
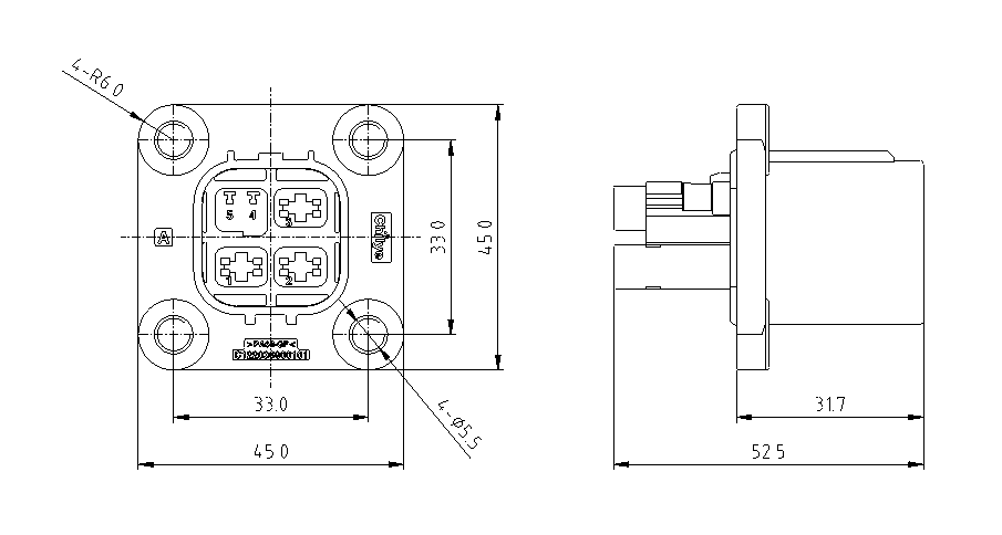
HVU530系列连接器是智绿专门为电动汽车及混合动力汽车内部的高压连接系统研究开发的一款塑料外壳高压连接器。此系列连接器压接2.5至6mm²线缆,载流能力可达40A Max(85º),是电池组、DC/DC变流器、车载充电机、电加热、电空调等辅助设备可靠的连接方案。
CL-HVU 530-3
产品性能
■ 额定电压:500V dc
■ 额定电流:40A Max
■ 温度范围:-40°C to +125°C
■ 防护等级:IP67, IP6K9K(插合状态), IP2XB(未插合状态)
■ 高压互锁:内置高压互锁
■ 锁止方式:2阶段解锁方式,免工具操作
■ 机械寿命:≥100次
■ 适配线缆:2.5–6mm²
产品应用
■ 电池包 DC/DC装换 车载充电机 电加热 高压
■ 配电单元,电空调,高压线束系统
特点和优点
■ 高载流能力(相同规格产品)
■ 2段机械解锁机构
■ 带高压互锁
■ 直角插座
产品选型
下载
产品规格说明书
2D图纸
3D图纸
安装视频
关闭
联系我们
及时获取最新的产品3D图纸
名字
姓氏
公司邮箱
联系电话
公司
工作角色
请选择
客户管理
业务拓展
合规与风险
客户服务
客户支持
电气工程
高层管理
财务
人力资源
IT(信息技术)
法务
制造
市场营销
机械工程
运营
产品管理
产品营销
产品验证
采购
质量管理
销售
软件工程
供应链
系统架构
测试工程师
行业
请选择
保险
农业机械
分销
制造业
包装货物
医学技术
卫星
受监管的消费类产品
可穿戴设备
商用车辆
国防
基础设施建设
媒体
家电
工业自动化
广告
建筑
政府
教育
无人驾驶飞机
无线基础设施
显示器
智能家居
服务器和存储器
汽车
测试与测量
游戏
物流仓储
电信
电力
电力与能源
电子制造服务
石油和天然气
矿业
移动设备
网络设备
航天器
航空
药物给送解决方案
诊断
软件
运动健身
重工业
金融服务
相关推荐
CL-HVU 530-2
■ 电池包 DC/DC装换 车载充电机 电加热 ■ 高压配电单元,电空调,高压线束系统
了解更多 >
资源下载
HVC系列产品规格选型
HVU 530规格下载
关注
我们
加入
我们
网上
商城
正在筹备,敬请期待
返回
顶部